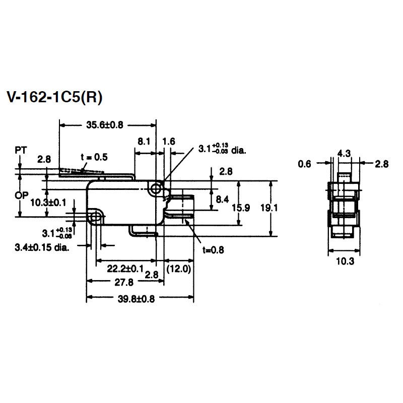
V-162-1C5(R)
Általános célú, kisméretű mikrokapcsoló 1 váltóérintkezővel. Lemezkaros működtető egységgel.
Rendelhető
Figyelem! Utolsó darabok!
Elérhetőség dátuma:
Műanyag tokozású végálláskapcsoló, egyirányú működtetésű görgős működtető egységgel, PG13,5 tömszelence mérettel (D4D-1162N kiváltó típusa).
Készleten
Műanyag tokozású végálláskapcsoló, karos-görgős működtető egységgel, M20-as tömszelence mérettel. (D4D-1120N kiváltó típusa)
Rendelhető
Görgős, műanyag tokozású IP67-es védettségű végálláskapcsoló, 1 nyitó- és 1 záró-, 10A névleges terhelhetőségű kényszer működtetéses érintkezővel, M20-as tömszelence mérettel.
Készleten
Műanyag tokozású végálláskapcsoló, egyirányú működtetésű görgős működtető egységgel, M20-as tömszelence mérettel (D4D-1162N kiváltó típusa).
Készleten
Fémtokozású rugós-pálcás IP67-es védettségű végálláskapcsoló, PG13,5 tömszelence menettel.
Rendelhető
Fémtokozású IP65-ös védettségű miniatűr végálláskapcsoló, rugós-pálcás működtetővel, gumi kábelvédő csatlakozóval
Rendelhető
Tapintóérintkezős precíziós kapcsoló, félgömb kialakítású tapintó fejjel, M10 test, 3m kábellel, IP67
Készleten
Védőburkolat Z-15-ös mikrokapcsolókhoz.
Készleten
Szubminiatűr kialakítású mikrokapcsoló karos működtető egységgel.
Készleten
Általános célú olajálló végálláskapcsoló, tömített, csavaros sorkapcsokkal, karos görgős működtetővel, jobb kivezetéses. Védettség: IP67, 2m beöntött olajálló kábellel.
Készleten
Miniatűr általános célú mikrokapcsoló lemezkaros működtető egységgel, SPDT, 5A.
Készleten
Miniatűr, általános célú mikrokapcsoló, karos-görgős működtető egységgel.
Rendelhető
Általános célú, kisméretű mikrokapcsoló 1 váltóérintkezővel. Bütykös működtető egységgel.
Készleten
Általános célú, kisméretű mikrokapcsoló 1 váltóérintkezővel. Rövid lemezkaros-görgős működtető egységgel.
Rendelhető
Általános célú, kisméretű mikrokapcsoló, lemezkaros-görgős működtető egységgel.
Rendelhető
Görgős működtető kar. Cserealkatrész WL sorozatú végálláskapcsolókhoz.
Készleten
Fémtokozású villás-görgőkaros IP67-es védettségű végálláskapcsoló, PG13,5 tömszelence menettel.
Készleten
Általános célú kapcsoló, rövid bütykös működtetővel, csavaros csatlakozóval, 15 A-s kapcsolási áram. Gyári védőburkolattal is szerelhető.
Rendelhető
Általános célú kapcsoló, rövid bütykös működtetővel, forraszható csatlakozóval, 15 A-s kapcsolási áram. Gyári védőburkolattal is szerelhető.
Rendelhető
Általános célú kapcsoló, bütykös működtetővel, csavaros csatlakozóval, 15 A-s kapcsolási áram. Gyári védőburkolattal is szerelhető.
Készleten
Általános célú kapcsoló, keresztirányú bütykös-görgős működtetővel, forrasztható csatlakozóval, 15 A-s kapcsolási áram. Gyári védőburkolattal is szerelhető.
Készleten
Általános célú kapcsoló, bütykös-görgős működtetővel, csavaros csatlakozóval, 15 A-s kapcsolási áram. Gyári védőburkolattal is szerelhető.
Készleten
Általános célú kapcsoló, bütykös-görgős működtetővel, forrasztható csatlakozóval, 15 A-s kapcsolási áram. Gyári védőburkolattal is szerelhető.
Rendelhető
Általános célú kapcsoló, lemezkaros-görgős működtetővel, csavaros csatlakozóval, 15 A-s kapcsolási áram. Gyári védőburkolattal is szerelhető.
Készleten
Általános célú kapcsoló, lemezkaros-görgős működtetővel, forrasztható csatlakozóval, 15 A-s kapcsolási áram. Gyári védőburkolattal is szerelhető.
Rendelhető
Általános célú, kisméretű mikrokapcsoló 1 váltóérintkezővel. Hosszú lemezkaros működtető egységgel.
Készleten
Általános célú, kisméretű mikrokapcsoló 1 váltóérintkezővel. Rövid lemezkaros működtető egységgel.
Rendelhető
Kis méretű bütykös kapcsoló, SPDT érintkező, 15 A terhelhetőség.
Rendelhető
Miniatűr végálláskapcsoló bütykös-görgős működtető egységgel, előre kábelezett kivitel. Érintkező adatai: 30 VDC 4 A ohmos terhelés esetén, 3 A induktív terhelés esetén.
Rendelhető
Állítható karos-görgős, műanyag tokozású IP67-es védettségű végálláskapcsoló, 1 nyitó- és 1 záró-, 10A névleges terhelhetőségű kényszerműködtetéses érintkezővel, M20 tömszelence csatlakozással.
Készleten